写真:サンテレビの報道フロア
写真:サンテレビの報道フロア

株式会社サンテレビジョン様

制作・報道スタジオサブシステム/ OTCシステム/カメラシステム
シンプルな操作で効果的な演出を実現する制作サブや、安全で簡単に放送が可能な報道サブを構築。

課題

簡単に操作でき、安全で効率的な運用が可能なシステムを構築したい。

解決策

円滑なオペレーションをサポートするライブスイッチャーと、誰でも簡単に操作できるOTCシステムを導入。3つのサブのルーターを共有化することで運用効率を大幅に向上。

シンプルで運用性の高いスイッチャーにより、オペレーション時の小さなミスが激減しました。また、OTCシステムの使いやすさに皆驚き、制作番組でも使ってみたいという声まで上がっています。

株式会社サンテレビジョン 技術局 技術部 鳥生 裕貴様・田中 雄大様

背景

社屋移転にともない、全てのスタジオサブシステムをリニューアル

2021年6月、株式会社サンテレビジョン様(以下、サンテレビ様)は神戸駅前に本社を移転しました。新社屋では安全で運用性の高いシステムを目指し、制作用のL1スタジオサブと、報道用のL2スタジオサブ、そして主にスポーツの受けサブとして使用するL3サブのシステムを全面リニューアル。シンプルながら現代の番組づくりに合わせた拡張性を備え、緊急時でも瞬時に速報が出せる体制を整えました。大規模災害を経験したことのある局だからこそ成しえる、地域の人を思い、人々の安全と笑顔をつくることを第一に考えた新システムとなりました。


導入理由

新社屋のコンセプトを高いレベルで実現した各種システム

L1サブではサンテレビ様ならではの番組演出にスムーズに対応でき、新入社員でも外部スタッフでもすぐに覚えられる操作感が評価され、ライブスイッチャーAV-HS7300が採用されました。L2サブは技術スタッフ不在時でも安心して放送ができる体制を目指し、スイッチャーはコンパクトなAV-HS6000で、主な送出はOTCシステムで対応できるようにしました。技術部の鳥生様は、「移転のコンセプトとして掲げた『コンパクトで安定性も柔軟性もあるシステム』を、パナソニックさんなら実現できると確信し、今回新社屋すべてのサブのシステム構築をお願いしました」と語ります。


導入後の効果

高効率で演出力の高い番組づくりを実現した制作サブ

新社屋の中で最も規模が大きなL1サブは、情報番組や音楽番組、ダンス番組など、多彩な演出が行われる制作サブです。月曜から金曜の夕方に放送される人気番組「NEWS×情報 キャッチ+」では、番組の前半に地域情報を、後半に最新ニュースを届けており、それぞれのテイストに合わせテロップやロゴ、ワイプのデザインを変えています。今回ライブスイッチャーAV-HS7300を導入し、使いやすいDVEや各種メモリー機能により、演出の幅が広がったと鳥生様は語ります。
「『キャッチ+』の前半と後半の切り替えはCM中の2分間で行います。技術スタッフとフロアディレクターは継続し、制作スタッフと出演者が全員入れ替わるのですが、この短時間での入れ替えに加え、後半はニュースなので急なキューシートの変更もあり、以前はオペレートのミスなどもありました。AV-HS7300は操作がシンプルな上、一連の動作を記憶して瞬時に読み出してくれるマクロメモリー機能があるので、今まで10個ほどの操作が必要だったところをワンボタンで後半バージョンに切り替えられるようになりました。この機能のおかげで驚くほどオペレートが楽になりミスもなくなりました」

写真:L1サブのライブスイッチャーAV-HS7300
L1サブのライブスイッチャーAV-HS7300。なお、新社屋ではIP KVMを導入したことで、操作卓周辺のモニターやキーボード、マウスの数を半数以上減らすことができた。

写真:ラック室
新社屋ではラック室を1か所に集約し、スペース効率の良い空間レイアウトを実現した。
写真:AV-HS7300とAV-WM7400
L1サブのライブスイッチャーAV-HS7300と、全サブで共有化したルーティングスイッチャーAV-WM7400。
写真:AV-HS6000とAV-PF3000
L2サブのライブスイッチャーAV-HS6000と、ペリフェラルAV-PF3000。

サンテレビ様の運用に合わせた独自仕様のスタジオカメラ

L1のスタジオには4KスタジオカメラAK-UC4000を4台導入し(うち3台にビルドアップユニットを装着)、サンテレビ様の運用方法に合わせてビルドアップユニットに液晶ビューファインダーを装着する形に改良しました。鳥生様は、「サンテレビの番組ではカメラ3台を使って、まるで4~5台で撮影してるかのような動きのある画づくりを心掛けています。そのためカメラマンが激しく動き回るのですが、カメラ本体にビューファーを付けてしまうとどうしてもグラついて不安定になってしまいます。そこで今回はカメラマンも含め何度も打ち合わせを重ね、ビルドアップユニットに装着するよう改良していただきました。おかげでカメラマンの動きにしっかりと付いてきてくれ、安定した撮影ができるようになりました」と語ります。
また、AK-UC4000はハンディカメラとしても使用できるため、社内数か所に設けられたカメラ用光回線を利用して様々な場所で撮影が行われています。


写真:スタジオカメラAK-UC4000
L1スタジオに導入したスタジオカメラAK-UC4000。高い色再現性と解像感により、音楽番組などでの激しい照明演出をしっかり表現できると好評。
写真:4KスタジオカメラAK-UC4000
液晶ビューファインダーをビルドアップユニットに装着した4KスタジオカメラAK-UC4000。
写真:L1サブのVE卓
L1サブのVE卓。リモートオペレーションパネルやリモートカメラコントローラーもパナソニック製で統一し、スタッフが各サブで迷うことなくスムーズに運用できるようにした。

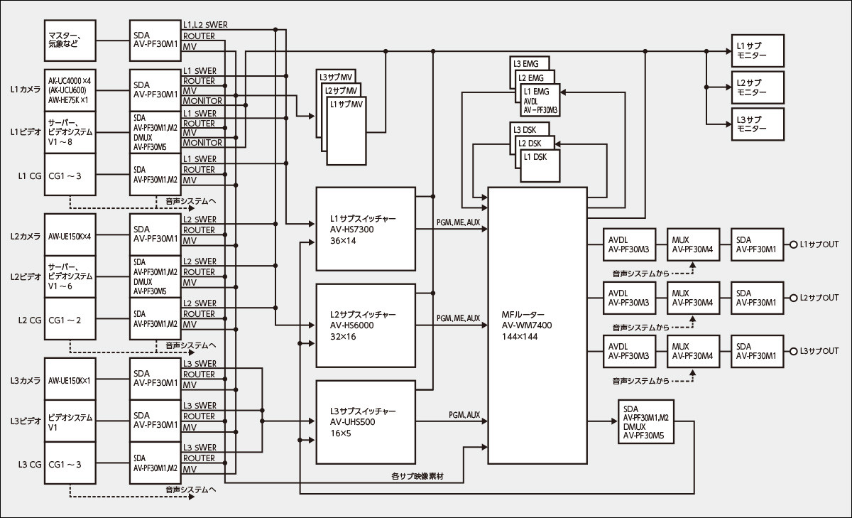
3つのサブのルーターを共有化し、大規模番組にもスムーズに対応

新社屋では全てのサブのルーターを共有化することで、各サブが相互に連携するシステムを構築しました。鳥生様は「L1サブでは選挙や神戸マラソンなど年に数回の大規模番組を放送することがありますが、そのためだけに大規模なシステムにしてしまっては本来のコンセプトから外れてしまいます。そこで今回はルーターを1台にして他のサブの入出力や素材を共通で使えるようにしました。スイッチャーに設けたユーティリティのボタンを押すだけで、例えばL1からL2のVTRの送出を直接行うことができ、素材もL2で作成してL1に割り当てることができるため、他のサブの運用を止めずに大規模番組に対応できるようになりました。相互に連携しているので、万が一どこかのサブで不具合が生じたとしても他のサブからの素材で番組を継続できる点も大きなメリットです」と語ります。


写真:L3サブ
年間50本以上の野球中継を行う大人気番組「サンテレビボックス席」などが制作される受けサブ「L3サブ」。スイッチャーは持ち運べるほどコンパクトなAV-UHS500を採用。
写真:AV-UHS500本体
AV-UHS500本体。4K対応スイッチャーのため、L1スタジオの4Kスタジオカメラと組み合わせることで将来の4K番組制作にも対応できると選定された。
写真:アナブース
L3サブの隣につくられたアナブースにはリモートカメラAW-UE150を1台設置。コンパクトな筐体が設置の自由度を高め、壁に近づけて置けるため、カメラ1台で2名の演者を撮影することができる。

撮影から放送まで1人でも行える報道サブを実現

L2サブでは、日曜日に放送される20分のニュース番組はライブスイッチャーAV-HS6000でマニュアル運用し、毎日のショートニュースはOTCシステムで放送しています。今回OTC導入の検討には、当初は反対の声も多かったそうです。しかし導入を決めた背景には、大規模災害の経験から、技術スタッフ不在時でも県民へ情報を届けられる体制を整えたいという思いがありました。L2サブのシステム導入を担当した技術部の田中様は語ります。
「以前の更新時にもOTC導入を検討したのですが、当時報道部のメンバーから不安の声が上がり導入には至りませんでした。しかし今回パナソニックさんのOTCシステムを拝見し、その分かりやすさと操作性に驚きました。実際に導入してみると皆楽しんで操作しており、今ではほぼ全員の報道部員が1人で本番運用に臨めるようになっています。さらに、決まった流れで進行する制作番組があり、その制作チームからもOTC運用を行ってみたいという声が上がっています。皆あれだけ抵抗感があったにも関わらずOTCに対する印象が180度変わり、本当に導入して良かったと思っています」

また今回は、OTCシステムに「緊急送出番組」というボタンを設け、押下により照明や音声、映像システムの各バス、リモートカメラのプリセット位置を一括変更できるシステムを構築しました。田中様は、「ボタンを押してスタジオに入ればすぐにオンエアできる状態になるので、たとえ社内に1人しかいない状況でも、とにかく一報を早く出すことができるようになりました」と語ります。


写真:L2サブ
報道フロアの中につくられたL2サブ。中央にO T Cシステムを配置し、左手にライブスイッチャーAV-HS6000を配置した。
写真:L2のスタジオの様子
L2のスタジオの様子。リモートカメラAW-UE150を4台使ってニュース番組の撮影を行う。
写真:OPT画面
OPT画面。左上の番組1の場所に「緊急送出番組」を割り当てた。
写真:「緊急送出番組」を押した際の表示画面
「緊急送出番組」を押した際の表示画面。
写真:OTCシステムの16面操作端末
直感的な操作が可能なOTCシステムの16面操作端末。
写真:L2サブのOTCシステム操作卓
L2サブのOTCシステム操作卓。1名で放送ができるようOTCの周辺にはリモートカメラコントローラーやOTCミキサーが配置されている。
写真:ライブスイッチャーAV-HS6000
L2サブに導入した2ME/16XPTのコンパクトなライブスイッチャーAV-HS6000。
写真:リモートカメラAW-UE150
L2スタジオに設置されたリモートカメラAW-UE150。コンパクトな筐体で放送品質の映像がしっかり撮影できると好評。
写真:プロンプターカメラ
L2スタジオのプロンプターカメラ。映し出された原稿の後ろにAW-UE150が設置されている。手元の原稿は天井に設置したAW-HE70で撮影。

L1、L2、L3サブ 映像システム構成

映像システム構成

L2サブ OTCシステム構成

OTCシステム構成

納入機器

映像システム

  • L1サブ:ライブスイッチャー AV-HS7300
  • L2サブ:2MEライブスイッチャー AV-HS6000
  • L3サブ:ライブスイッチャー AV-UHS500
  • ルーティングスイッチャー(144×144) AV-WM7400
  • ペリフェラル AV-PF3000シリーズ
    • 棚板 AV-PF30U2
    • SDAユニット AV-PF30M1
    • 2ch SDAユニット AV-PF30M2
    • AVDL/FSユニット AV-PF30M3
    • MUXユニット AV-PF30M4
    • DMUXユニット AV-PF30M5

OTC関連

  • OPT端末
  • 16面操作端末
  • OTC制御装置 AV-SA3000
  • OTCサーバ一
  • 残時間表示端末

モニター

  • 65型/55型/32型液晶テレビ TH-65GX850HT/TH-55GX850HT/TH-32F300HT
  • 16.5型LCDビデオモニター BT-LH1770

カメラシステム

  • スタジオカメラシステム AK-UC4000 ×4台
  • カメラコントロールユニット(CCU) AK-UCU600 ×4台
  • マスターセットアップユニット(MSU) AK-MSU1000GJ ×1台
  • ビルドアップユニット AK-HBU500GJ ×3台
  • リモートオペレーションパネル(ROP) AK-HRP1000 ×9台
  • 4Kインテグレーテッドカメラ AW-UE150K ×5台
  • HDインテグレーテッドカメラ AW-HE75K ×1台
  • HDインテグレーテッドカメラ AW-HE70SK9 ×1台
  • リモートカメラコントローラー AW-RP60GJ ×6台

お客様の声

経験豊富な皆さんのサポートで無事に新社屋が完成しました

パナソニックさんには度重なる仕様変更にも嫌な顔ひとつせず対応していただき、「こういうパターンも想定しておいた方が良いのではないですか?」と変更の提案までしていただきました。運用を開始した今、あの提案のおかげで助かったと思うことが何度もあります。納入後にも度々使い方の相談に乗っていただき、皆様には本当に感謝しています。

写真:鳥生様と田中様
株式会社サンテレビジョン 技術局 技術部 鳥生 裕貴様(写真左)
株式会社サンテレビジョン 技術局 技術部 田中 雄大様(写真右)
※所属は納入時のものです。

お客様紹介

県民を思い、県民のために情報を届ける

1969年に開局した株式会社サンテレビジョン様は、報道・教育・教養・娯楽番組など多種多様な番組を制作し、長きにわたり地域の人々に愛され続けている独立局です。今回の社屋移転では阪神淡路大震災の教訓を生かし、より一層災害に強く、地域に信頼される放送局を目指し、約72時間放送が継続できる自家発電も備えた新社屋を建設しました。


写真:サンテレビ様の新社屋
サンテレビ様の新社屋
地図

関連機器・サービス

製品写真:AV-HS7300

ライブスイッチャー AV-HS7300

番組制作の現場で求められる機能に応える、フレキシブルパネルレイアウトの4ME/3MEライブスイッチャー。


製品写真:AV-HS6000

2MEライブスイッチャー AV-HS6000

運用に合わせて2種類のコントロールパネルを選択可能な2MEライブスイッチャー。


製品写真:AV-UHS500

ライブスイッチャー AV-UHS500

コンパクトな一体型ボディでありながらハイエンドモデルに迫る基本機能を備え、HD制作時と同等の運用性を4K映像制作で実現する小型スイッチャー。


製品写真:AV-WM7400

ルーティングスイッチャー AV-WM7400

局運用で必須の信頼性・安全性を確保したルーティングスイッチャー。


製品写真:AV-PF3000

ペリフェラル AV-PF3000シリーズ

3Uのコンパクトフレームに最大16ユニットを実装可能なペリフェラル。


製品写真:AK-UC4000/UC4000S

4Kスタジオカメラ AK-UC4000/UC4000S

11.14メガピクセル大判センサー搭載。B4マウントで2/3型レンズマウントに対応した4Kスタジオカメラシステム。


製品写真:AW-UE150W/K

4Kインテグレーテッドカメラ AW-UE150W/K

4K/60p出力対応。高倍率ズームと広角撮影により、柔軟な映像制作を実現するリモートカメラ。